|
RUSKA
SE-AMPLIFIER
EBL1
SE STEREO AMPLIFIER
DESIGN
OF CIRCUITS |
|

RUSKA
EBL1 SE-vahvistimen ensimmäinen versio |
|
Ensimmäinen
versio Ruska vahvistimesta toteutettiin ns. poin-to-point
menetelmällä. Tästä ei ole olemassa kuvia. Toinen versio
tullaan toteuttamaan kytkentälevyille, joihin asennetaan
putkiniittejä juotospisteiksi, ns. eyeletit.
SIVU
ON VIELÄ RAKENTEILLA
|
|
|
|

|
|
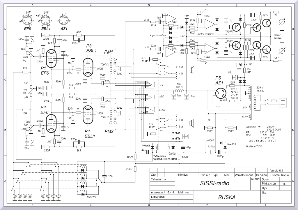
RUSKA
VAHVISTIMEN KYTKENTÄKAAVIO |
|
|

|
|
RUSKA
VAHVISTIMEN KOMPONENTTIEN SOVITUS |
|
|

|
|
RUSKA
VAHVISTIMEN KYTKIMELLE MENEVÄN VERKKOJOHDON SIJOITUS |
|
|

|
|
RUSKA
VAHVISTIMEN KYTKIMELLE MENEVÄN VERKKOJOHDON SIJOITUS, TOINEN
NÄKÖKULMA |
|
|

|
|
RUSKA
VAHVISTIMEN VERKKOJOHDON ETEEN TULEVA PELTILEVY |
|
|

|
|
RUSKA
VAHVISTIMEN VASEN PÄÄTY |
|
|

|
|
RUSKA
VAHVISTIMEN OIKEA PÄÄTY |
|
|

|
|
RUSKA
VAHVISTIN
LEIKKAUS
VIRTALÄHTEEN KOHDALTA |
|