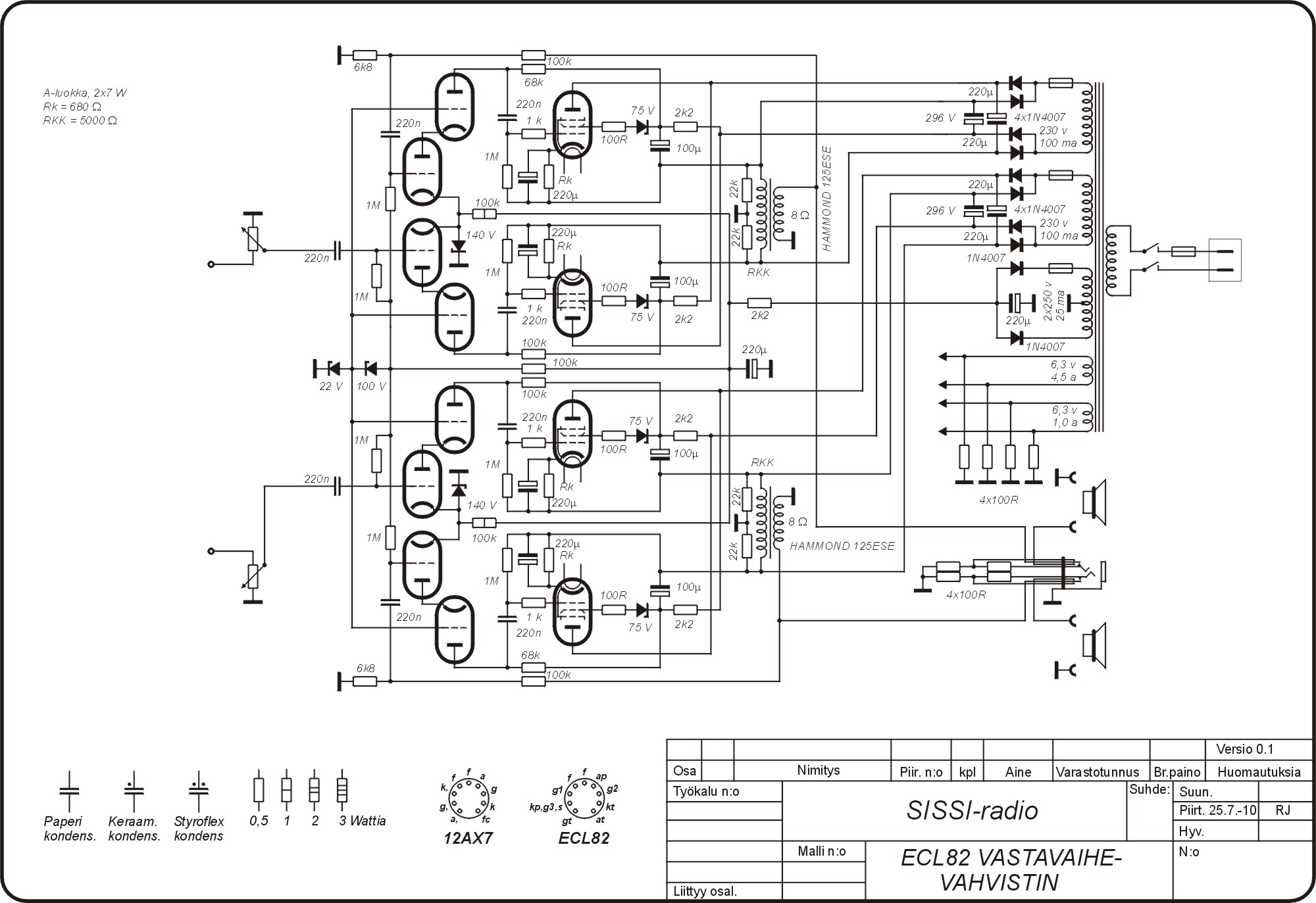
ECL82 ESE VASTAVAIHEVAHVISTIN

ECL82 ESE CIRCLOTRON, PARALLEL PUSH PULL

KYTKENTÄKAAVIO