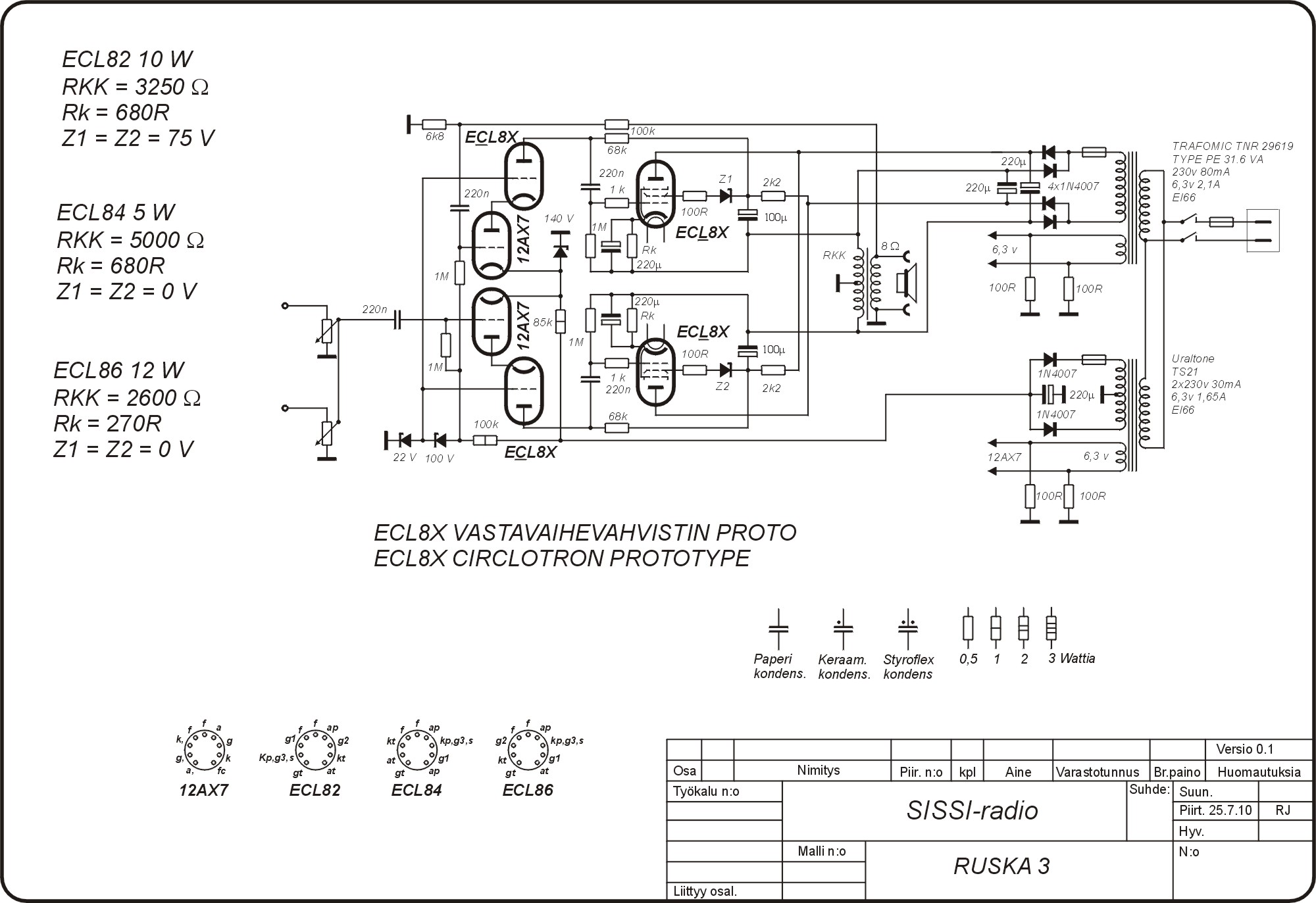
ECL86 VASTAVAIHEVAHVISTIN

KYTKENTÄKAAVIO