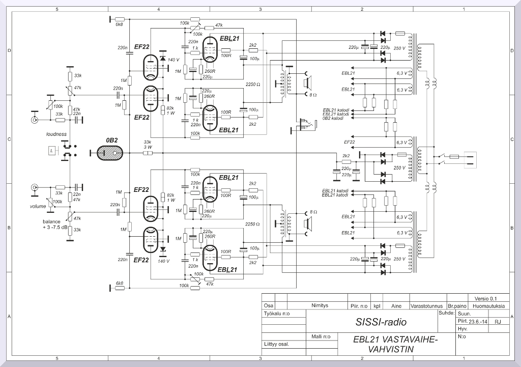
SRHS VASTAVAIHE vol 1

ALUSTAVA KYTKENTÄKAAVIO

SRHS VASTAVAIHE vol 1 KYTKENTÄKAAVIO