SRHS vol 3

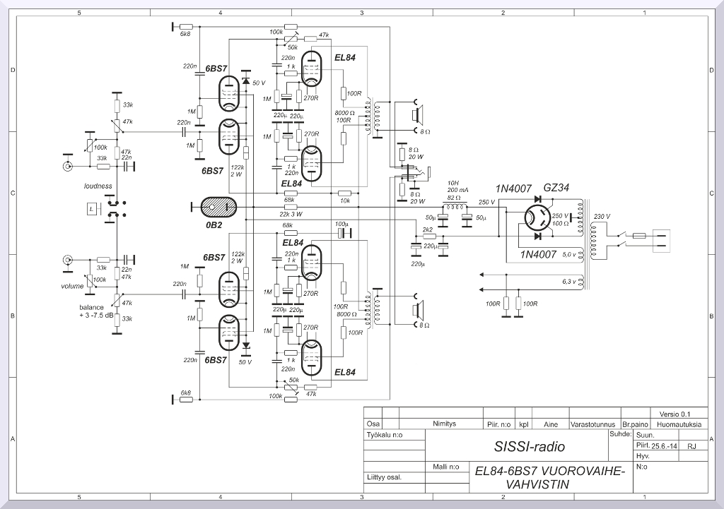
VUOROVAIHEVAHVISTIMEN ALUSTAVA KYTKENTÄKAAVIO

SRHS vol 3 VUOROVAIHEVAHVISTIMEN  KYTKENTÄKAAVIO