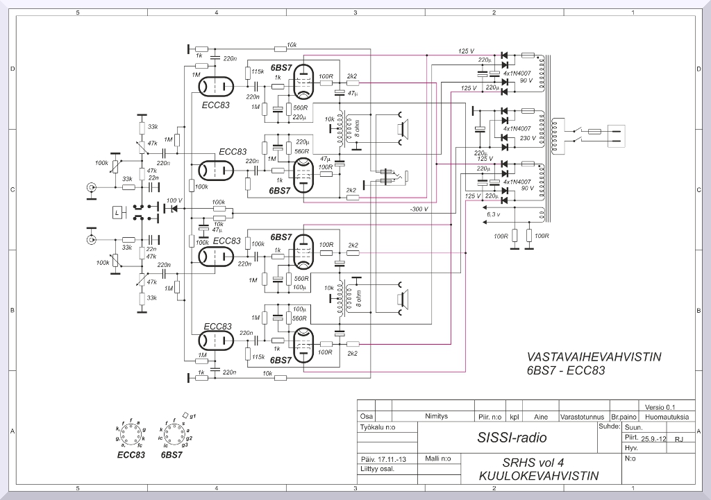
SRHS vol 4

KUULOKEVAHVISTIMEN ALUSTAVA KYTKENTÄKAAVIO

SRHS vol 4 KUULOKEVAHVISTIMEN  KYTKENTÄKAAVIO