|
SHINE
vol 1
KYTKENTÄKAAVIOT
JA SIMULOINTEJA

SHINE
vol 1 suunnitelma
|
|
|

|
|
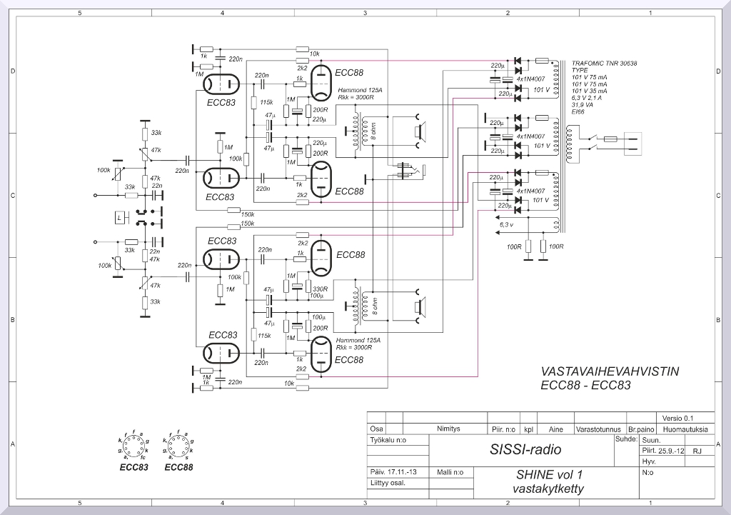
SHINE
VOL 1
KYTKENTÄKAAVIO
ILMAN VASTAKYTKENTÄÄ
|
|
|

|
|
|
|

|
|
|
|

|
|
LÄHDÖN
SPEKTRI 100 mW THD
0,030 % |
|
|

|
|
LÄHDÖN
SPEKTRI 500 mW THD
0,16 % |
|
|

|
|
LÄHDÖN
SPEKTRI 700 mW THD
0,50 % |
|
|

|
|
LÄHDÖN
SPEKTRI 100 mW IMD
0,030 % |
|
|

|
SHINE
vol 1 CIRCUIT
DIAGRAM NFB
3 dB |
|
|

|
|
|
|

|
FREQUENCY
RESPONSE NFB
3 dB |
|
|

|
|
|
|

|
|
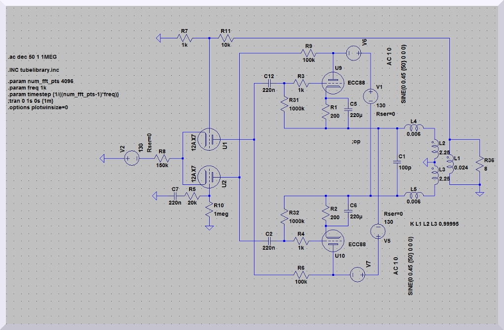
SIMULAATIOMALLI
VIRTALÄHTEITTEN SAMANVAIHEISTEN RIPPELIEN VAIMENNUKSESTA
VAHVISTIMEN LÄHTÖÖN |
|
|

|
|
VIRTALÄHTEITTEN
SAMANVAIHEISTEN RIPPELIEN VAIMENNUS VAHVISTIMEN LÄHTÖÖN
TAAJUUDEN FUNKTIONA |
|
|

|
|
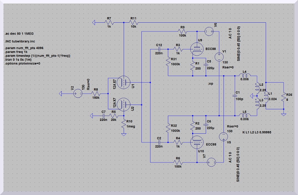
SIMULAATIOMALLI
VIRTALÄHTEITTEN VASTAKKAISVAIHEISTEN RIPPELIEN VAIMENNUKSESTA
VAHVISTIMEN LÄHTÖÖN |
|
|

|
|
VIRTALÄHTEITTEN
VASTAKKAISVAIHEISTEN RIPPELIEN VAIMENNUS VAHVISTIMEN LÄHTÖÖN
TAAJUUDEN FUNKTIONA |
|