1812 PCF80 VASTAVAIHEVAHVISTIN

ENSIMMÄINEN VERSIO

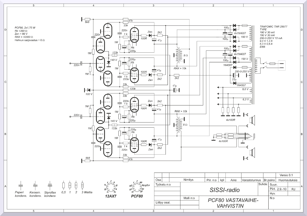
KYTKENTÄKAAVIO

PROTON KOTELO EDESTÄ

PROTON KOTELO TAKAA

VERSION 1 SIMULAATIOMALLI

SPEKTRI 0,5 WATIN TEHOLLA

TAAJUUSVASTE