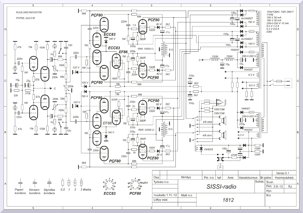
1812 VAHVISTIN

KYTKENTÄKAAVIO