2x10W PCL84 VASTAVAIHEVAHVISTIN

TOROIDIN SIMULAATIO

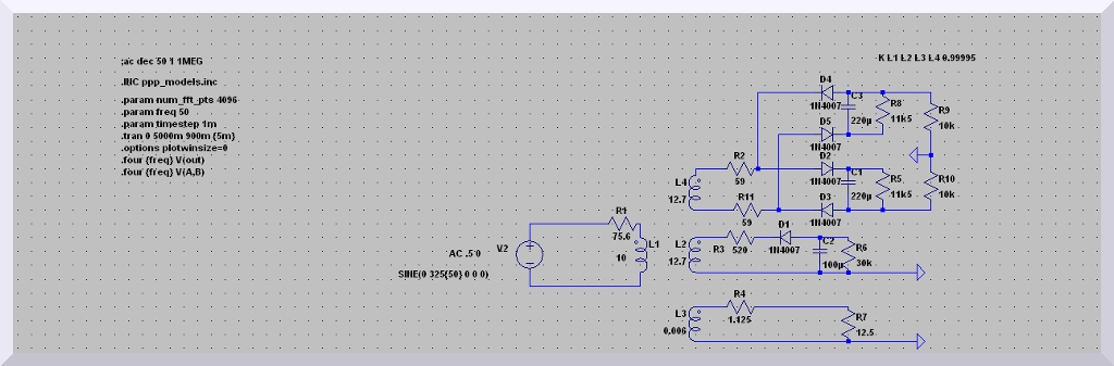
SIMULAATIOSSA KÄYTETTY KYTKENTÄ

ANODIJÄNNITTEET

KAHDEN RIIPPUMATTOMAN ANODIJÄNNITTEEN RIPPELI

VAIHEENKÄÄNTÄJÄN NEGATIIVISEN JÄNNITTEEN RIPPELI