VAIHEENKÄÄNTÄJIEN RAKENTEITA

CATHODYNE

PARANNETTU CATHODYNE

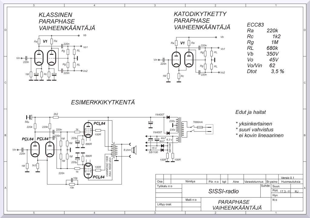
PARAPHASE

LONG-TAILED PAIR

LONG-TAILED PAIR 2

SCHMIDT VAIHEENKÄÄNTÄJÄ

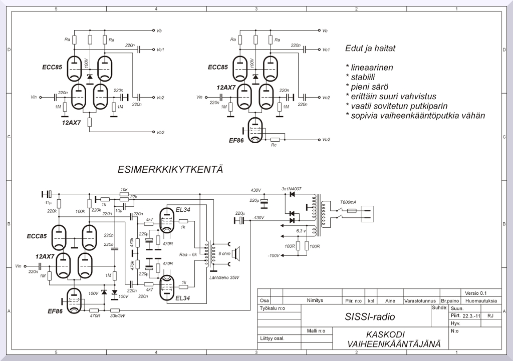
KASKODI VAIHEENKÄÄNTÄJÄNÄ

MUUNTAJA VAIHEENKÄÄNTÄJÄNÄ