|
RUSKA
SE-AMPLIFIER
EBL1
SE STEREO AMPLIFIER
DEVELOPMENT
OF ELECTRONICS |
|

RUSKA
EBL1 SE-vahvistimen ensimmäinen versio |
|
Mielessä
oli kytenyt pidemmän aikaa rakentaa vahvistin
historiallisilla putkilla. Alkujaan mielessä oli putki
EBL21. Tämä muuttui jatkossa EL3:ksi. EL3 puolestaan
vaihtui EBL1:ksi pääasiassa ulkoasullisista syistä.
Esiasteeseen valikoitui EF6. Näillä putkilla syntyi melko
nopeasti se-vahvistimen kytkentäkaavio päätemuuntajana
Hammondin 125ESE. Ensiön sovitus ei ollut tehon kannalta
optimaalinen mutta muutoin kyllä toimiva. Kytkentä
perustui aiemmin kehittämiini ECL82
ja EL84/ECC83
vahvistimien kytkentöihin. Uutta oli vain pentodi
tuloasteessa. Vahvistimen suorituskyvylle en ollut asettanut
mitään erityisiä tavoitteita. Pääosissa olivat
1930-luvun putket ja kuparinen ulkoasu, joka juontaa
juurensa aikaisemmin suunnittelemaani
levysoitinvahvistimeen. Vahvistimen rakenteesta tuli
hyvin hankala lähinnä huonosti suunnitellusta
hilaliitännästä johtuen. Myös suunnittelemani rako
vahvistimen kannen ja etu- ja takapanelien välillä oli
ulkoasullisesti epäonnistunut. Näistä syistä johtuen
purin vahvistimen ja ryhdyin pohtimaan korjauksia.
Vahvistimen
uudelleen rakentaminen ei ole ollut millään tavoin
päälimmäisenä ja niinpä purkamisesta on nyt
vierähtänyt vuosi jos toinenkin. Nyt (2014) olen palannut
tähän vavistimeen. Ymmärsin, että 1930-luvun putkien
käyttö moderneissa vahvistimissa on vähintäänkin
harvinaista. Toisaalta kokeilin PCL84
putkilla paikallista vastakytkentää Hammondin 125ESE
päätemuuntajalla. Tulokset olivat siksi rohkaisevia, että
palasin tähän vahvistimeen nyt paikallisella
vastakytkennällä terästettynä. Mekaniikka oli olemassa
valmiina ja päätemuuntajan vaihto ei tullut kysymykseen.
Tarkempi tutustuminen Hammondin muuntajaan tuotti iloisen
yllätyksen. Siinä oli tuplakäämit toisiossa. Näitä
sopivasti uudelleen ryhmittelemällä saisi sovituksen
lähes kohdalleen. Myös paikallinen vastakytkentä onnistuu
hyvin uudelleen ryhmityksellä. Näillä ideoilla ja
muokatulla Hammondin 125ESE muuntajalla piirsin uuden
kytkentäkaavion. Myös simulaatiot osoittivat kohtuullista
suorituskykyä. Tulokset ovat alla.
|
|
|
|

|
|
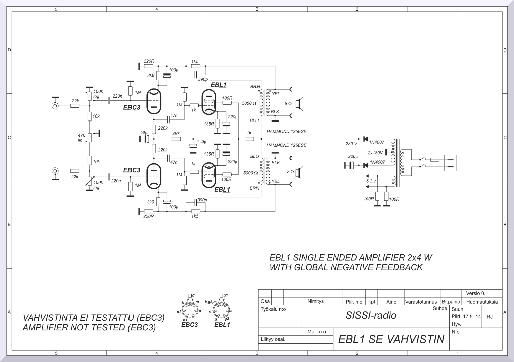
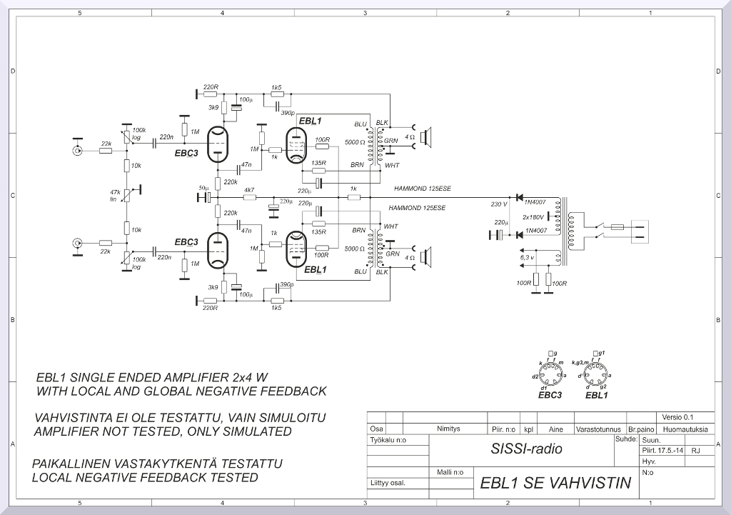
RUSKA
VAHVISTIMEN KYTKENTÄKAAVIO |
|
|

|
|
RUSKA
VAHVISTIMEN PÄÄTEMUUNTAJA |
|
|

|
|
RUSKA
VAHVISTIMEN SIMULAATIOMALLI |
|
|

|
|
RUSKA
VAHVISTIN
TAAJUUSVASTE
-1 dB 192 Hz - 17 kHz
PAIKALLINEN
VASTAKYTKENTÄ 0 dB
GLOBAALI
VASTAKYTKENTÄ 0 dB |
|
|

|
|
RUSKA
VAHVISTIN
THD
2,0 %/1 W
PAIKALLINEN
VASTAKYTKENTÄ 0 dB
GLOBAALI
VASTAKYTKENTÄ 0 dB |
|
|

|
|
RUSKA
VAHVISTIN
TAAJUUSVASTE
-1 dB 27 Hz - 85 kHz
PAIKALLINEN
VASTAKYTKENTÄ 14,1 dB
GLOBAALI
VASTAKYTKENTÄ 0 dB |
|
|

|
|
RUSKA
VAHVISTIN
THD
0,50 %/1 W
PAIKALLINEN
VASTAKYTKENTÄ 14,1 dB
GLOBAALI
VASTAKYTKENTÄ 0 dB |
|
|

|
|
RUSKA
VAHVISTIN
TAAJUUSVASTE
-1 dB 6 Hz - 164 kHz
PAIKALLINEN
VASTAKYTKENTÄ 14,1 dB
GLOBAALI
VASTAKYTKENTÄ 12,5 dB |
|
 |
|
RUSKA
VAHVISTIN
THD
0,14 %/1 W
PAIKALLINEN
VASTAKYTKENTÄ 14,1 dB
GLOBAALI
VASTAKYTKENTÄ 12,5 dB |
|
|

|
|
YKSINKERTAISTETTU
EBL1 VAHVISTIN |
|
|

|
|
TOINEN
VERSIO YKSINKERTAISESTA EBL1 VAHVISTIMESTA
|
|