KISMET HT

ECL82 PARALLEL PUSH PULL, "CIRCLOTRON", AMPLIFIER

DESIGN OF ELECTRONICS

KISMET HT:n muotoiluidea

Kismet sarjan vahvistimia yhdistää vastavaihe "circlotron" rakenne ja putki ECL82. Tämän vahvistimen kytkentä juontaa juurensa PCL84 testisarjassa kehitettyyn kytkentään. Kytkennässä on huomioitu saadut kokemukset myöhemmistä vahvistimista. Vahvistimeen on lisätty toinen tulo, joka näkyy myös kytkentäkaaviossa. Varsinainen kytkennän hionta on tapahtunut simuloimalla. Vahvistimesta on rakennettu aikoinaan myös yksinkertainen proto.

Kismet HT on kytkennältään sama vahvistin kuin Kismet vol 3. Tähän vahvistimeen on lisätty kolmas kanava kotiteatterikäyttöä silmällä pitäen. Rakenteellisesti vahvistin koostuu kahdesta yksikösta, joista toisessa, keskusyksikössä ovat vasemmman ja oikean kanavan vahvistimet sekä voimakkuudensäätö kaikille kolmelle kanavalle. Myös keskikanavan balanssisäätö on keskusyksikössa. Toisessa yksikössa on vain keskikanavan vahvistin. Tähän on kuitenkin lisätty yksinkertainen voimakkuuden säätö jotta vahvistinta on mahdollista käyttää yksinäänkin. Voimakkuuden säädön ohittamiseksi keskikanavan vahvistimessa on kytkin tätä varten.

Kismet HT:n simulaatiot ovat samat kuin Kismet vol 3:kin. Nämä simulaatiot on kuitenkin lisätty myös Kismat HT:n suunnitelmaan.

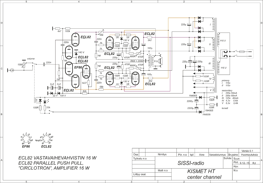
Alla on kuvattuna Kismet HT:n keskusyksikön kytkentäkaavion suunnitelma.

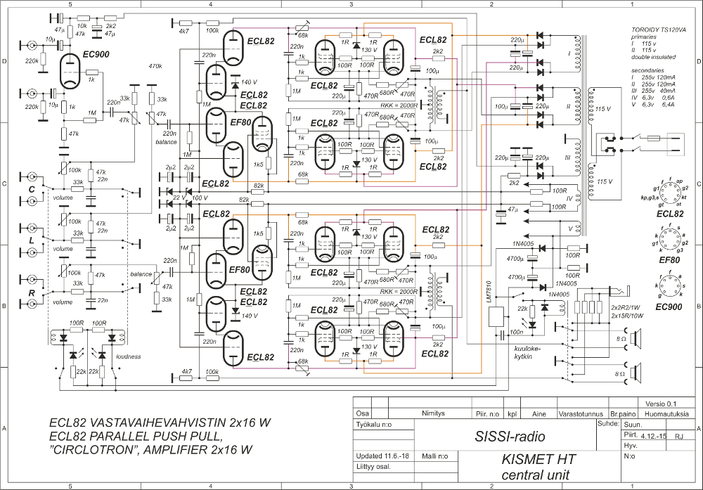
Alla on kuvattuna Kismet HT:n keskikanavan kytkentäkaavion suunnitelma.

Vahvistimen kytkentä on hiottu lopulliseen kuntoon (ennen varsinaisen vahvistimen valmistumista) LtSpice simulointi-ohjelmalla. Käyttämäni malli on alla olevassa kuvassa.

Vahvistimessa on säädettävä vastakytkentä. Säätöalue on 0 dB - 20 dB. Alla on simulaatiotulokset ilman vastakytkentää. Ylemmässä kuvassa on taajuusvaste ja alemmassa kuvassa on harmooninen särö 1 watin lähtöteholla 8 ohmin kuormaan. Taajuusvaste on 23Hz - 15 kHz -1 dB ja thd 0,0056 %.

Vahvistimen maksimi vastakytkentä on 20 dB. Alla olevat simulaatiotulokset ovat tällä 20 dB:n vastakytkennällä. Alla olevassa kuvassa on taajuusvaste, 2Hz - 103 kHz -1 dB.

THD 1 watilla 8 ohmin kuormaan on 0,00056 %, kuva alla.

Keskeismodulaatiosärö, imd, on samaten watilla 8 ohmin kuormaan 0,001 %, kuva alla.

THD 10 watilla on 0,08 %.

Yhden prosentin säröllä vahvistimen lähtöteho 8 ohmin kuormaan on 17 W.

Vahvistimessa on myös kuulokeliitin sisäisellä keinokuormalla. Yhdellä milliwatilla 50 ohmin kuormaan harmooninen särö on 0,0016 %.